Перейти к содержимому

TGS8430

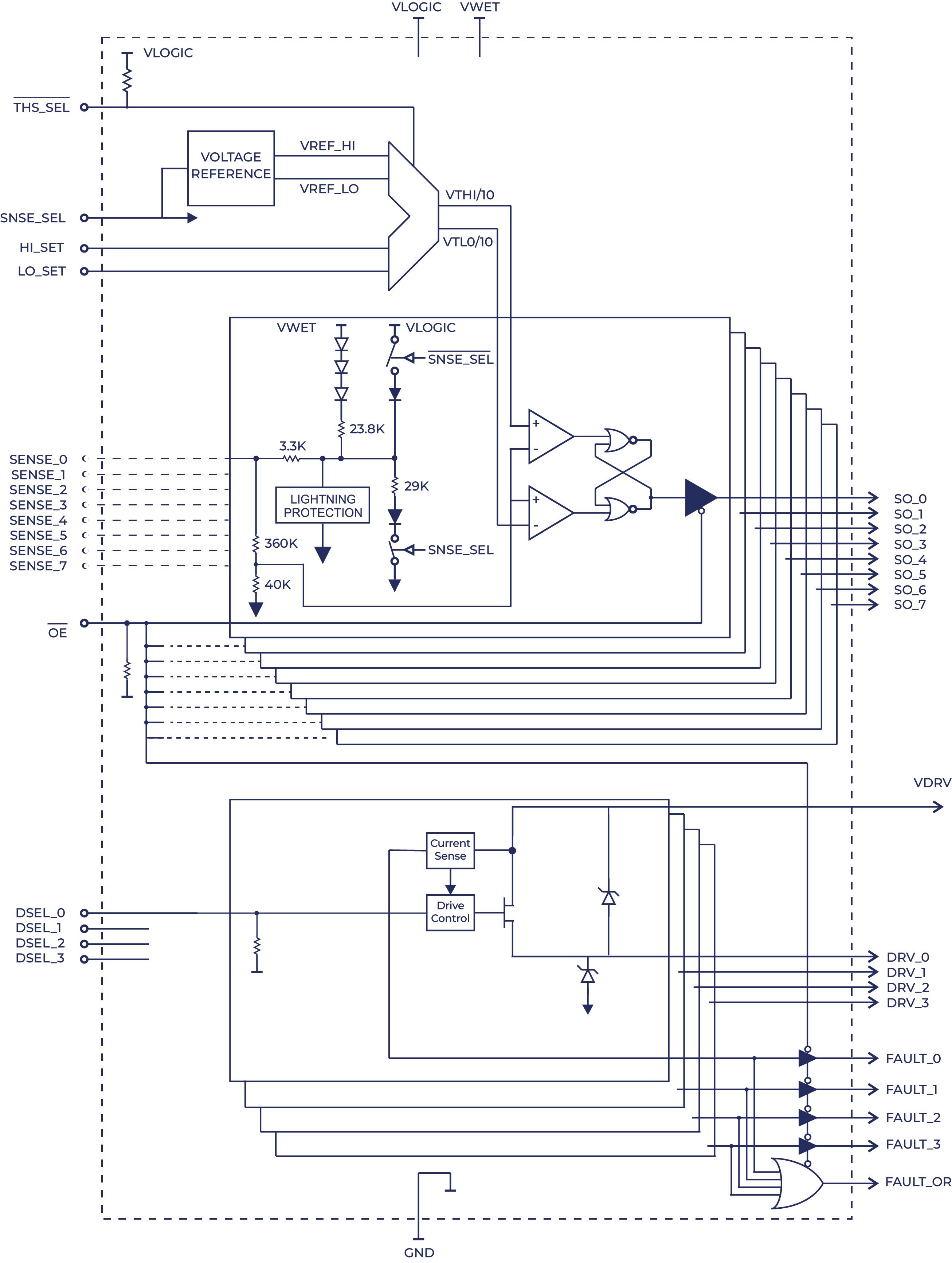
TGS8430 is a discrete input and output interface circuit that provides 8 channels of discrete to TTL level conversion and 4 channels of 200 mA high-side current output functions.
TGS8430 can pin-to-pin replace HI-8430
Eight-channel discrete-to-digital converter.
Sensor and four-channel driver
    • Replacement:
      HI-8430
    • Compatibility:
      Direct analogue
    • Interface:
      CMOS
    • Operating voltage:
      3,0 V to 5,5 V
    Replacement for manufacturer:

    Ordering part number:

    TGS8430-PC, package: QFN-40
    TGS8430-LQ, package: LQFP-44